二氧化碳捕集

什么是CCUS?
CCUS,是二氧化碳捕集利用与封存技术的英文简称,是指将二氧化碳从工业过程、能源利用或大气中分离出来,直接加以利用或注入地层以实现二氧化碳永久减排的过程。CCUS在二氧化碳捕集与封存(CCS)的基础上增加了“利用 (Utilization)”,这一理念是随着CCS技术的发展和对CCS技术认识的不断深化,在中美两国的大力倡导下形成的,目前已经获得了国际上的普遍认同。CCUS按技术流程分为捕集、输送、利用与封存等环节。
技术简介
二氧化碳捕集、利用与封存技术(CCUS)是一种针对温室气体的减排技术,能够大幅减少使用化石燃料的温室气体排放,涵盖CO₂捕集、运输、利用与封存四大环节。目前,这项技术已经得到了广泛的应用。在捕集环节,主要有燃烧后捕集、燃烧前捕集、富氧燃烧和化学链燃烧技术。在运输环节,CO₂可以通过管道、船舶、铁路、公路等多种方式进行运输。在利用与封存环节,可以将CO₂转化为高附加值产品,如水泥、钢铁、化肥等,同时也可以将CO₂封存于地下岩层中。

项目背景
气候变化是当今世界面临的严峻挑战,全球平均气温上升带来的冰川融化、海平面上升等变化,极大威胁着许多生物的生存环境,甚至导致物种灭绝的危机。目前国内外众多研究学者认为以二氧化碳(CO₂)为主的人为温室气体排放是全球变暖的主要原因,自工业革命(1850年)以来,世界能源消耗逐年增加,随着人为CO₂排放的增加,全球气温逐渐上升,2017年全球表面平均气温比前工业革命前水平上升1.0℃。政府间气候变化(IPCC)报告指出,为维持自然系统的生态平衡,保证人类生存安全,到2030至2050年,全球气温上升应控制在1.5℃。美国国家海洋和大气管理局(NOAA)2020年发表报告称2011-2020是全球有记录以来最热的十年,地球表面温度相比20世纪增加了0.82˚C。因此如何高效控制CO₂排放变得至关重要。

全球气温上升与累积人为CO₂排放的变化关系(来源:IPCC)

全球温度变化表(数据来源:NOAA)
化石燃料发电厂尤其是燃煤电厂是CO₂最大的固定集中排放源,且这一趋势在可预见的未来不会改变。在全球范围节能减排的背景下,碳捕集、利用与封存(Carbon Capture,Utilization and Storage,即CCUS)技术仍然是快速有效减少CO₂排放的关键解决方案,可将捕集的CO₂运输利用或以超临界状态储存在深海地质井中。
根据全球CCUS研究院2018年的预测,要想在2060年达到巴黎目标,必须通过CCUS实现14%的累计CO₂减排。
联合国政府间气候变化专门委员会在《IPCC全球升温1.5℃特别报告》中指出, 2030年不同路径CCUS的减排量为1~4亿吨/年,2050年减排量为30~68亿吨/年。

世界主要国家及地区CCUS地质封存潜力及CO₂累计排放量(来源:IPCC)
如上图所示,我国是世界上CO₂排放最多也是应对气候变化最脆弱的国家之一,因此,2020年9月22日,中国政府在第75届联合国大会上郑重宣布:“中国将提高国家自主贡献力度,采取更加有力的政策和措施, CO₂排放力争于2030年前达到峰值,努力争取2060年前实现碳中和。”
这是中国对全球气候治理和落实《巴黎协定》的积极举措,也为我国应对气候变化和绿色低碳发展明确了目标与方向,为强化全球气候行动注入了强大的政治推动力。
产业政策

气候变化是人类面临的最严峻挑战,共同应对气候变化是全人类共同的责任。为积极应对气候变化,世界主要国家纷纷结合自身发展现状,提出碳达峰和碳中和(简称“双碳”)战略目标并制定路线图。“双碳”行动有助于推动形成节约资源和保护环境的产业结构、生产方式、生活方式、空间格局,是助推经济社会绿色转型和系统性深刻变革的重要途径。初步统计,截至2020年底,全球已有120多个国家提出了“双碳”目标。苏里南和不丹已经实现碳中和,率先进入负排放时代。
发达国家碳中和主要行动对我国有3点启示:一是积极构建适应我国碳中和目标的政策管理手段和发展方式,包括制定和完善我国碳中和的目标、时间表和路线图,加快发展循环经济,健全和完善碳交易市场等;二是分类施策,制定重点领域碳中和行动方案,制定符合国情的能源发展路径,推进交通领域结构性减排,推动建筑领域电气化,推进工业领域节能降耗等;三是积极发展氢能、CCUS、生物质等新兴技术和产业,助力碳中和目标实现。

应用前景
碳捕集、利用与封存(CCUS)是目前实现化石能源低碳化利用的唯一技术选择,CCUS是碳中和目标下保持电力系统灵活性的主要技术手段。
CCUS是钢铁、水泥等难以减排的行业低碳转型的可行技术选择,它与新能源耦合的负排放技术是实现碳中和目标的托底技术保障。

全球碳捕集与封存研究院发布的《全球碳捕集与封存现状2021》中提到,全球CCUS项目连续四年呈向上趋势,总捕集能力增长了32%。2021年新增了71个CCUS商业项目,使全球CCUS商业项目增加到了135个,其中27个项目已进入运行,每年捕集能力达4000万吨。
全球碳捕集封存研究院首席执行官杰拉德·丹尼尔斯(Jarad Daniels)曾预测,到本世纪中叶,CCUS年产能将从4000万吨增长至数十亿吨。预计未来30年,该产业需要6550亿美元至1.28万亿美元的投资。

2025~2050年中国CCUS产值规模预测
CCUS市场潜力巨大:根据国内外研究结果,碳中和目标下中国CCUS减排需求为2030年0.2-4.08亿吨;2050年6-14.5亿吨,2060年将达到10-18.2亿吨。
CCUS对于我国碳中和使不可或缺的技术,在国家层面或将制定CCUS总体发展规划,并将CCUS技术作为国家重大科技专项予以支持,搭建系统的政策框架体系,有序推动CCUS在石化、化工、电力、钢铁、水泥等行业的应用。
CCUS技术的中国产值规模按保守情形估计2025-2050年平均年增长率为11.87%。
技术路线
二氧化碳捕集利用与封存技术路线可分为三大过程。首先是从不同的二氧化碳排放源如电厂、水泥厂、钢铁生产行业等捕集二氧化碳的过程,随后气体经过压缩后通过管道或交通工具运输方式对捕集后的二氧化碳进行运输,最后可将二氧化碳注入到地下如盐水层、枯竭的油气田和不可开采的煤层等,以地质封存方式达到减排目的。另一种则是将捕集后的二氧化碳进行工业再利用,如制造建材、生成甲醇、乙醇等产物。

二氧化碳CCUS技术路线示意图
二氧化碳捕集是指将二氧化碳从工业过程、能源利用或大气中分离处理的过程,二氧化碳捕集被认为是CCUS技术中的核心部分,也是阻碍CCUS技术可持续发展的重要难点。目前二氧化碳捕集的三大技术路线位燃烧前捕集、燃烧后捕集和富氧燃烧技术。

二氧化碳捕集的三大技术路线
燃烧前捕集:在碳基燃料燃烧前,首先将其化学能从碳中转移出来,然后再和携带能量得其他物质进行分离,从而实现碳在燃烧前进行捕集。主要应用于整体煤气化联合循环发电系统(IGCC),技术发展比较成熟。整体处于工业示范阶段,与国际先进水平同步。
燃烧后捕集:从燃烧设备后的烟气中捕集或分离二氧化碳,对原有系统继承程度高,适用于各类改造和新建电厂的二氧化碳减排,技术相对成熟。目前应用潜力最大的是燃烧后化学吸收法,国际上已处于商业化应用阶段。
富氧燃烧:利用空分系统制取富氧或纯氧气体,然后将燃料与氧气一同输送到专门的纯氧燃烧炉进行燃烧,生产烟气的主要成分是二氧化碳和水蒸气,烟气中的二氧化碳质量浓度可达95%以上,目前仍处于研究阶段。

富氧燃烧技术排烟损失少,锅炉效率高,然而制氧设备成本及能耗高是阻碍其工业化应用的关键难点。而燃烧前捕集技术理论上成本相比燃烧后捕集技术及富氧燃烧技术分别可降低38%~45%和21%~24%,但由于其对现有电厂改造较大且涉及设备较为复杂,因此改造成本高限制了其商业化道路。而燃烧后捕集技术由于其电厂适配性高,仅需在后端增加CO₂捕集装置,是三种CO₂捕集技术中最具有工业化应用前景的技术。
燃烧后捕集技术其原理为经过冷却处理后的烟气送入至吸收塔中,通过不同方法如化学吸收法、固体吸附法以及膜吸收法等吸收烟气中CO₂组分。随后富集CO₂的吸收剂富液被送入至高温解吸塔中解吸CO₂,得到高纯度CO₂再生气。而解吸后的吸收剂贫液则直接送回吸收塔中继续吸收CO₂,实现CO₂吸收——解吸持续循环。

三种CO₂捕集技术优缺点对比
CO₂分离技术对比
二氧化碳捕集中关键技术为CO₂分离技术, 根据过程机理,CO₂分离技术可分为吸收、吸附、膜分离、低温分馏等。化学吸收法技术相对成熟、捕集效率高,且不需要对电厂进行大规模的改造,具有较强的适应性和工业应用基础,因此在诸多技术路线中最具有大规模捕集潜力。当前,化学溶剂吸收法尤其是胺吸收法是最成熟的燃烧后捕集技术。

CO₂分离技术对比
CO₂吸收剂对比

各种醇胺吸收剂的比较分析表

不同醇胺溶液常压下对烟气中二氧化碳的脱除率
CO₂吸收与再生工艺

CO₂化学吸收与再生工艺流程图
经过脱硫、脱硝及除尘后的燃煤烟气经过初步冷却(40˚C)和增压后,从吸收塔底部进入,在塔内与从塔顶喷射的吸收剂逆向接触,从而使得吸收剂与烟气中的CO₂组分发生反应生成吸收产物(氨基甲酸盐、碳酸/碳酸氢盐)。脱除CO₂后的烟气从吸收塔塔顶排出,吸收CO₂后的吸收剂富液经由富液泵抽离吸收塔,在贫富液换热器中与吸收剂贫液进行热交换后,送入高温解吸塔进行再生。吸收剂富液中CO₂在热与蒸汽的作用下被释放,从解吸塔塔顶排出经过冷凝和干燥后进行压缩,以便后续运输及封存。解吸CO₂后的吸收剂贫液通过贫液泵进入贫富液换热器换热,随后通过贫液冷却器冷却后再次送回吸收塔顶部进行吸收,以达到循环脱除CO₂目的。

CO₂化学吸收塔示意图
进入吸收装置的烟气指标
温度不宜高于45℃
粉尘含量不宜大于5mg/Nm³
SO₂含量不宜大于10mg/Nm³
NOx含量不宜大于50mg/Nm³
二氧化碳吸收与解吸设计要点
吸收剂应选用吸收二氧化碳的能力强、再生性能好、腐蚀性小、不易降解的溶剂。
二氧化碳吸收与解吸系统应保持水平衡
二氧化碳吸收与解吸系统的能量应回收利用
吸收剂应定期再生回用
吸收塔、解吸塔宜采用填料塔,吸收塔的填料高度不易高于20m,解吸塔的填料高度不易高于15m。
吸收塔、解吸塔的设计空塔气速宜取泛点气速的50%~70%。
进入吸收塔的贫液温度宜为40℃~50℃,解吸塔底的温度宜为100℃~125℃。
吸收塔洗涤系统补充用水应采用脱盐水。

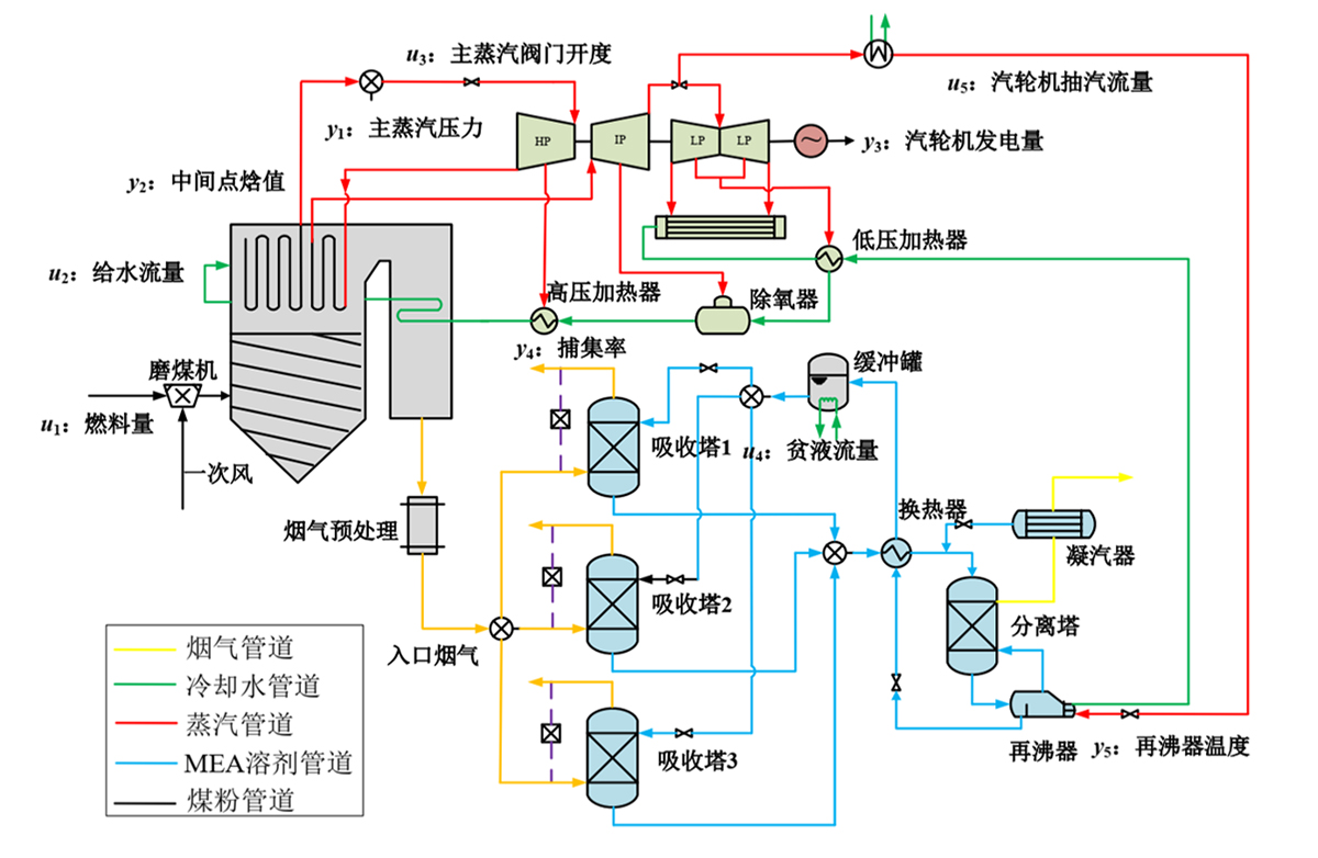
燃煤电站CO₂捕集系统流程图
炉膛尾部烟气平均分成3份并送至吸收塔底部。为提高吸收塔捕集CO₂效率, 吸收塔入口烟气温度要维持在313K-323K之间。同时炉膛尾部烟气需经过 脱硫、脱硝、除尘等处理,以防止污染 吸收溶剂。
汽轮机中低压缸抽汽至再沸器。从汽轮 机中低压缸连接处抽汽是能兼顾发电量和CO₂捕集效率的最优选择,此时汽轮机抽汽为过热蒸汽状态,压力约为4-6bar。同时为防止再沸器工作温度过高,需要对汽轮机抽汽进行喷水降温,一般降低至略高于抽汽压力下的饱和温度。

针对燃烧后捕集工艺,不同排放源的CO₂吸收法捕集技术对比
CO₂吸收与再生成本分析
对于二氧化碳捕集环节,在整个CCUS过程中占有较大的能耗比重,其中最主要的能耗来自吸收剂再生塔所需的低压蒸汽,因此再生能耗的降低才能实现捕集环节成本的下降。
目前,国内已进行的CO₂吸收法捕集装置再生能耗在2.4~3.2GJ/t CO₂,国内碳捕集成本在300~500元/t CO₂之间。据预测,到2025年捕集成本将至250元/t CO₂,再生能耗将至2.0~2.2GJ/t CO₂,到2030年捕集成本将至150元/t CO₂,再生能耗将至1.8GJ/t CO₂。

基于MEA工艺系统的(a)主要设备投资与(b)运行成本占比

我国碳捕集利用与封存技术发展研究
CO₂压缩精制工艺流程
二氧化碳的压缩液化精制是将吸收再生装置捕集的二氧化碳气体转化成工业液体二氧化碳或食品级液体二氧化碳,并将其存储的过程。其基本的技术路线示意图如图所示,包括二氧化碳的压缩、吸附、干燥、液化与精馏提纯。具有工艺技术与设备成熟可靠、技术安全性高、产品纯度高等技术特点。

二氧化碳压缩精制工艺流程图
二氧化碳压缩精制工艺流程如图所示,来自回流罐的粗二氧化碳气体经缓冲罐进入二氧化碳压缩机,压缩到约2.5MPa并经换热器冷却脱除大部分游离水后进入吸附塔,脱除含硫组分和其它杂质,然后进入干燥塔进行深度脱水。脱水后的二氧化碳气体进入液化器,与在-14℃条件下与制冷剂换热被液化,之后进入提纯塔精馏提纯,塔顶排出不凝气,塔底产出合格的液体二氧化碳产品,液体二氧化碳经产品泵与过冷器后进入储罐储存。
CO₂压缩
二氧化碳气体临界温度为31.2℃,临界压力为7.38MPa。工业生产中,二氧化碳的压缩液化有高压液化法和低温液化法。
高压液化法,一般将二氧化碳气体经压缩机压缩到8MPa的较高压力,然后冷却到常温30℃进行液化。 低温液化法,一般将二氧化碳压缩工段压缩机出口压力控制在2.5MPa,然后将其冷却到低于-20℃进行液化。
烟气碳捕集装置一般采用低温液化法,压缩机进入压力一般在常压至110kPa,压缩机出口压力在2.0MPa至2.5MPa范围内。
二氧化碳压缩机的选型,可参照以下原则:
气量较大时,宜选用离心式压缩机;
压比较大、气量较小时,宜选用往复式压缩机;
压比较小、气量较小时,宜选用螺杆式压缩机。

二氧化碳压缩机
CO₂吸附精制、干燥脱水
二氧化碳吸附精制主要是脱除含硫组分和其他杂质。二氧化碳吸附精制工艺一般采用双塔固定床吸附,操作运行时,一台吸附塔处于运行状态,另一台吸附塔处于备用状态。常用的吸附脱硫剂为活性炭,具有转化、吸收有机硫和无机硫的双重作用,特别适用于原料气中硫含量不高,且要求高精度脱除有机硫和无机硫的生产工艺。
二氧化碳气体中的少量的游离水和饱和水通常采用物理吸附法去除。《工业液体二氧化碳》GB/T 6052-2011对液体二氧化碳水分露点要求为-65℃。二氧化碳干燥脱水常用的脱水吸附剂有活性氧化铝、分子筛、硅胶等吸附剂。分子筛脱水一般用于水露点要求控制较低的场合,其露点深度可达到-90℃。

二氧化碳吸附精制及干燥脱水设备
CO₂液化提纯
烟气碳捕集装置一般采用低温液化法,液化温度在-14℃左右,制冷剂介质可以采用氟利昂或液氨,在节能及投资成本方面综合考虑,优选液氨制冷剂。
液氨制冷机组是为二氧化碳液化提供冷量的关键设备,工艺流程图如图所示,包括氨制冷压缩机、氨气冷凝器、液氨储罐、液氨蒸发器以及压缩机润滑油路所需的部件。氨制冷压缩机可采用双级往复式压缩机或双级螺杆式压缩机。
CO₂储运
液体二氧化碳的储存可以采用立式、卧式或球形储罐,对于单罐容积小于或等于200m³的小型储罐采用真空粉末绝热罐。
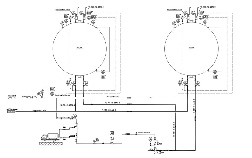
液体二氧化碳储运工艺流程图如下图所示,来自产品泵的液体二氧化碳经管道输送至球罐A或B,球罐A或B内的液体二氧化碳经装车泵通过装车鹤管进入运输罐车,完成二氧化碳的储存运输。

液体二氧化碳储运工艺流程图

液体二氧化碳生产储运装置图
CO₂压缩精制成本分析
1万Nm³/h烟气CO₂捕集装置的压缩液化精制工段的运行成本分析如下表所示

CO₂利用

降低CCUS技术实施成本的关键在于找到合适的利用技术。包括提高石油采收率技术(Enhanced oil recovery,EOR,当前主要应用在陆上)、化学利用技术和生物利用技术。目前行业正在衍生新的技术发展趋势,包括诸如在离岸海上油田中开发EOR项目和利用二氧化碳直接合成淀粉等。在各类利用技术的应用上,EOR具有经济价值,因而被认为是短期内更可行的方案。然而油价下行压力可能影响相关需求,预计EOR需求会在2035~2040年达到顶峰,随后下降。化学利用技术包括在化工生产过程中使用二氧化碳,如有机碳酸盐、煤化工等,生物利用技术将二氧化碳用于食品和饮料生产。
CO₂加氢制甲醇
中国中化5000吨二氧化碳加氢制甲醇中试装置开车。鲁西集团5000吨/年二氧化碳加氢制甲醇中试装置一次开车成功标志着中国中化战略性产业化项目(GREAT10)“二氧化碳高效加氢制甲醇”初步达成目标。

二氧化碳加氢制甲醇具有显著减碳效应,有助于缓解鲁西集团发展中面临的碳减排压力,巩固煤化工副产二氧化碳——甲醇——烯烃——新材料/精细化学品低碳产业链,提高鲁西产业链一体化水平,助力中国中化达成“双碳”减排目标。
甲烷二氧化碳重整制合成气后制备高附加值化工产品
合成气(H2/CO)是重要的化工原料,被化学工业誉为“合成工业的基石”。合成气主要是通过CH4水蒸气重整的方法制备:CH4+H2O→CO+3H2,而甲烷二氧化碳重整技术则同时消耗两种温室气体(甲烷、二氧化碳),获得合成工业 前驱物——合成气,兼具环保性和经济效益:CH4+CO2→2CO+2H2。而转化成合成气后将会有无限可能,如合成甲醇、丁醇、丁醛、甲酸、草酸、二甲醚、乙二醇等各类烃醇醚类高附加值化工产品,可以通过费托合成制得发动机燃料。

二氧化碳捕集——矿化混凝土建材技术

CCUS(碳捕集、利用与封存)技术是实现碳中和的关键减排路径之一,其中二氧化碳矿化混凝土技术被广泛认为是在发展中国家最有潜力的利用技术路线。其技术原理则是通过将工业排放的二氧化碳与早期水化成型后的混凝土中胶凝成分和其他碱性钙、镁组分之间形成矿化反应,在混凝土内部孔隙和界面结构处形成碳酸盐产物,并通过填充效应、界面过渡区消除效应和产物层效应等实现混凝土的强度和耐久性改善,同时达到碳固定的效果。利用CCUS技术生产的固碳混凝土建材近期在国内香港地区进行使用,这也是首个在中国应用二氧化碳矿化混凝土建材的建筑项目。该款拥有固碳属性的混凝土将帮助香港有机资源回收中心二期工程(O·PARK2)项目在施工阶段大幅降低碳足迹,助力其成为全国首个在施工期内实现碳中和的绿色工程。

再生骨料矿化原理示意图
国内CCUS项目工程

国内CCUS项目

国内某电厂烟气二氧化碳捕集示范装置

国内某知名水泥厂二氧化碳捕集示范装置

国内某知名水泥厂二氧化碳捕集示范装置

国内CCUS项目

国内CCUS项目

我国首个百万吨级CCUS(碳捕集、利用与封存)项目:齐鲁石化——胜利油田CCUS项目全面建成

国家能源集团年产15万吨CCUS示范工程

年产30万吨煤化工CO₂捕集项目在国家重要能源基地——陕西榆林建成投产,此次投产的项目依托煤制甲醇装置及设施生产的高纯度CO₂气体为原料进行捕集,全部用于陕北地区油田驱油和地质封存,将二氧化碳打入地下,将油驱出来。据了解,项目捕集能耗1.36吉焦/吨,成本105元/吨,是国内CO₂捕集项目中能耗和成本较低的装置之一,项目投产后,每年可减排二氧化碳30万吨,相当于植树1668万棵。

国内某CCUS示范工程投运后可实现CO₂捕集率大于90%、CO₂浓度大于99%、吸收剂再生热耗低于2.4GJ/tCO2,整体性能指标达到国际领先水平,为我国燃煤电厂大规模碳捕集和巴黎协定框架下国家自主贡献碳减排目标提供技术支撑。
该工程应用于大规模工业化生产,具有显著的环境效益和社会效益,可为我国“碳达峰”、“碳中和”事业做出重要贡献。

虽然CCUS目前进展还算比较顺利,但仍有很多要做的工作。要实现全球气候目标,到2030年CO₂年封存量需达到约10亿吨/年,到2050年需达到数亿吨/年。要在全球实现这一千兆吨规模,需要大幅增加CCUS的部署,尤其是在发展中经济体。能力建设、法律和监管框架开发以及封存图绘制等形式的支持对于加快部署至关重要。
促进CO₂运输和封存中心以吸引更多的捕集项目,也将有助于最大限度地增加CCS项目的部署数量。还需要在不影响最高水平的安全、环境管理、问责制和社区参与的情况下缩短项目交付时间。
通过政府、行业、投资者和社区之间的进一步合作,CCUS行业可以加速部署,并在2030年及以后继续扩大规模。